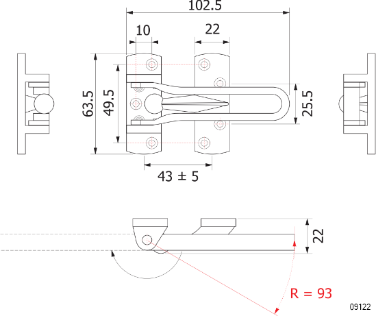
HOY DOOR GUARD HOOK

HOY DOOR GUARD HOOK SS RB961-00001Z

HOY Door Guard Hook is designed to provide increased security for wood or metal doors. Guard allows door to be opened slightly for ventilation or viewing while resisting possible forced entry.

  • Model: RB961-00001Z 
  • Material: Stainless Steel